15800483520
Alternate Text
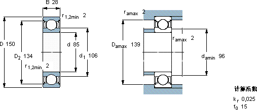
SKF6217-2Z
  • 型号:6217-2Z
  • 旧型号:- -
  • 厚度(B):28
  • 品牌:瑞典SKF轴承
  • 内径(d):85
  • 额定转速:--
  • 系列:
  • 外径(D):150
  • 极限转速:--
  • 静负荷:--
  • 动负荷:--
  • 备注:--

产品咨询

15800483520

产品详情 ■
Product Details

Copyright © 2022上海铜诺轴承有限公司
在线客服
服务热线

电话:15800483520

邮箱

2238945680@qq.com

上班时间

周一至周六

微信客服